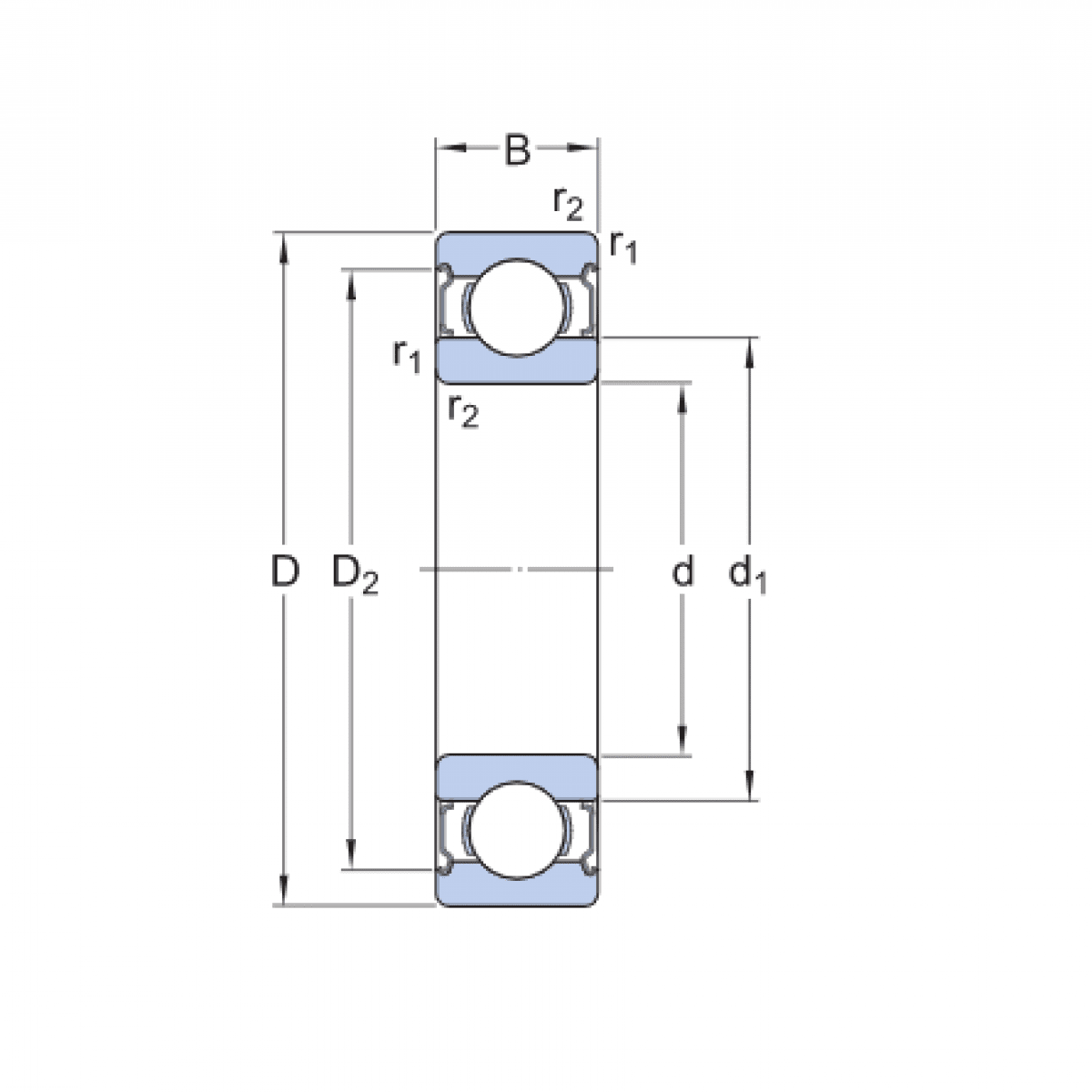
Ložisko 6201 2ZR - FAG

Rozmer: 12x32x10 Značka: FAG
Externý sklad na dopyt
+
-
ks