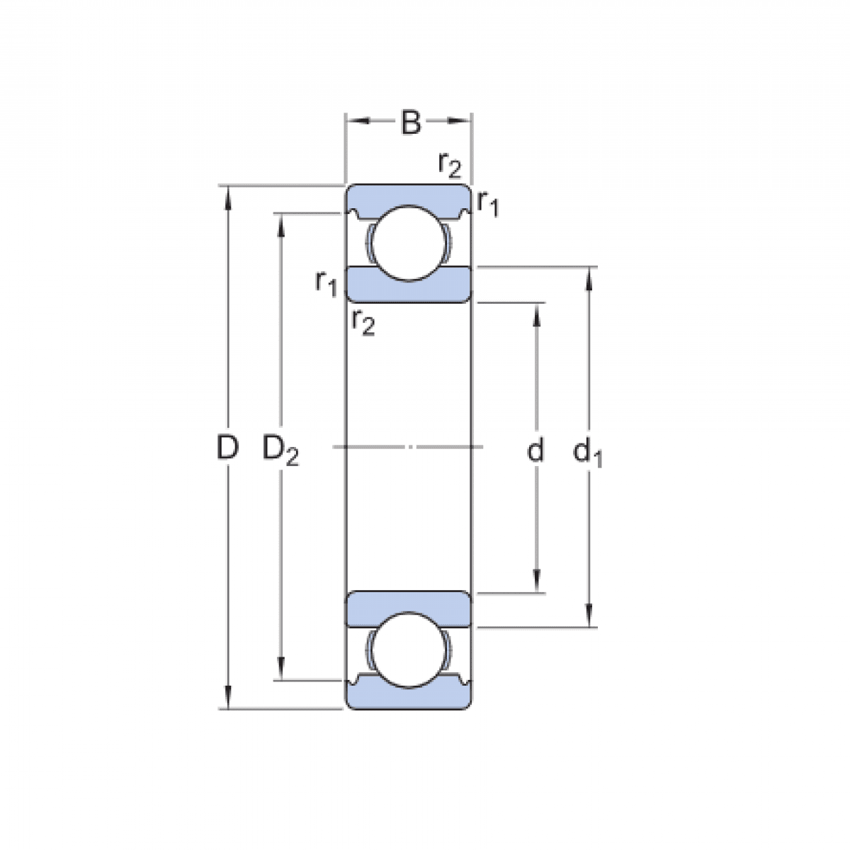
Ložisko 6201 C3 - CX

Rozmer: 12x32x10 Značka: CX
Externý sklad na dopyt
+
-
ks