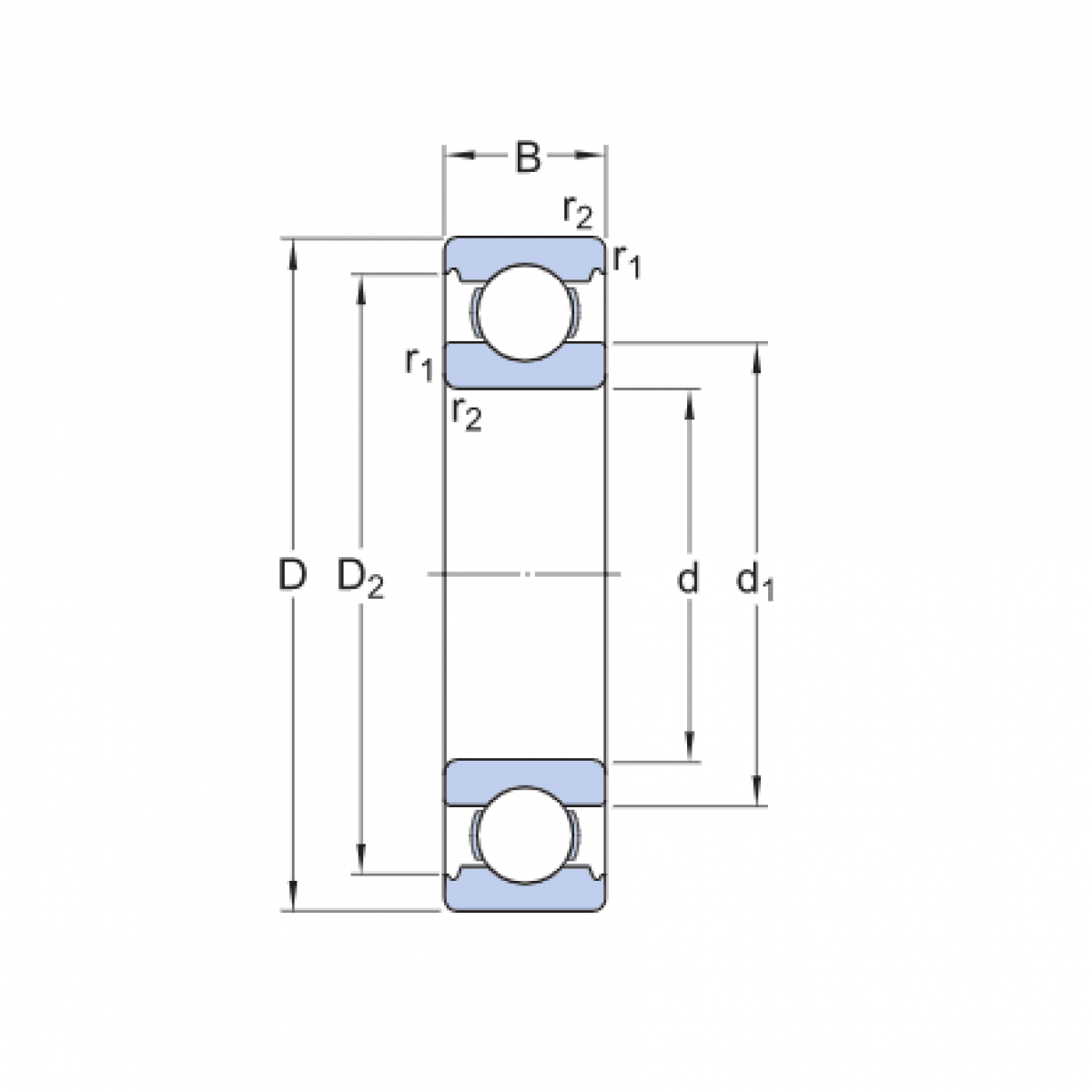
Ložisko 6201 TNG - ZKL

Rozmer: 12x32x10 Značka: ZKL
Externý sklad na dopyt
+
-
ks