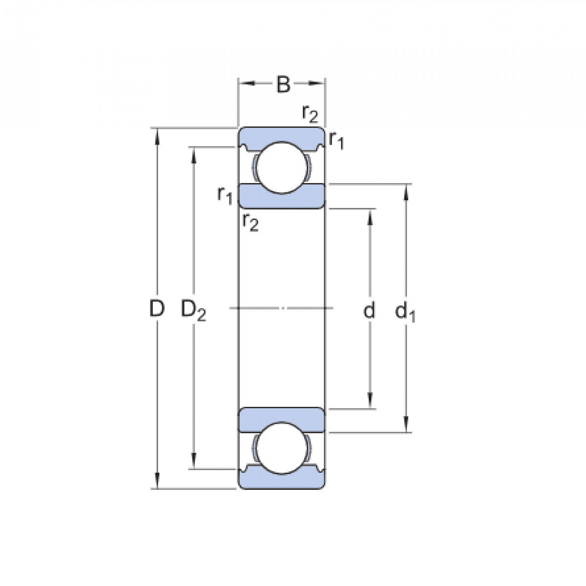
Ložisko 6201 - ZVL

Rozmer: 12x32x10 Značka: ZVL
Externý sklad na dopyt
+
-
ks