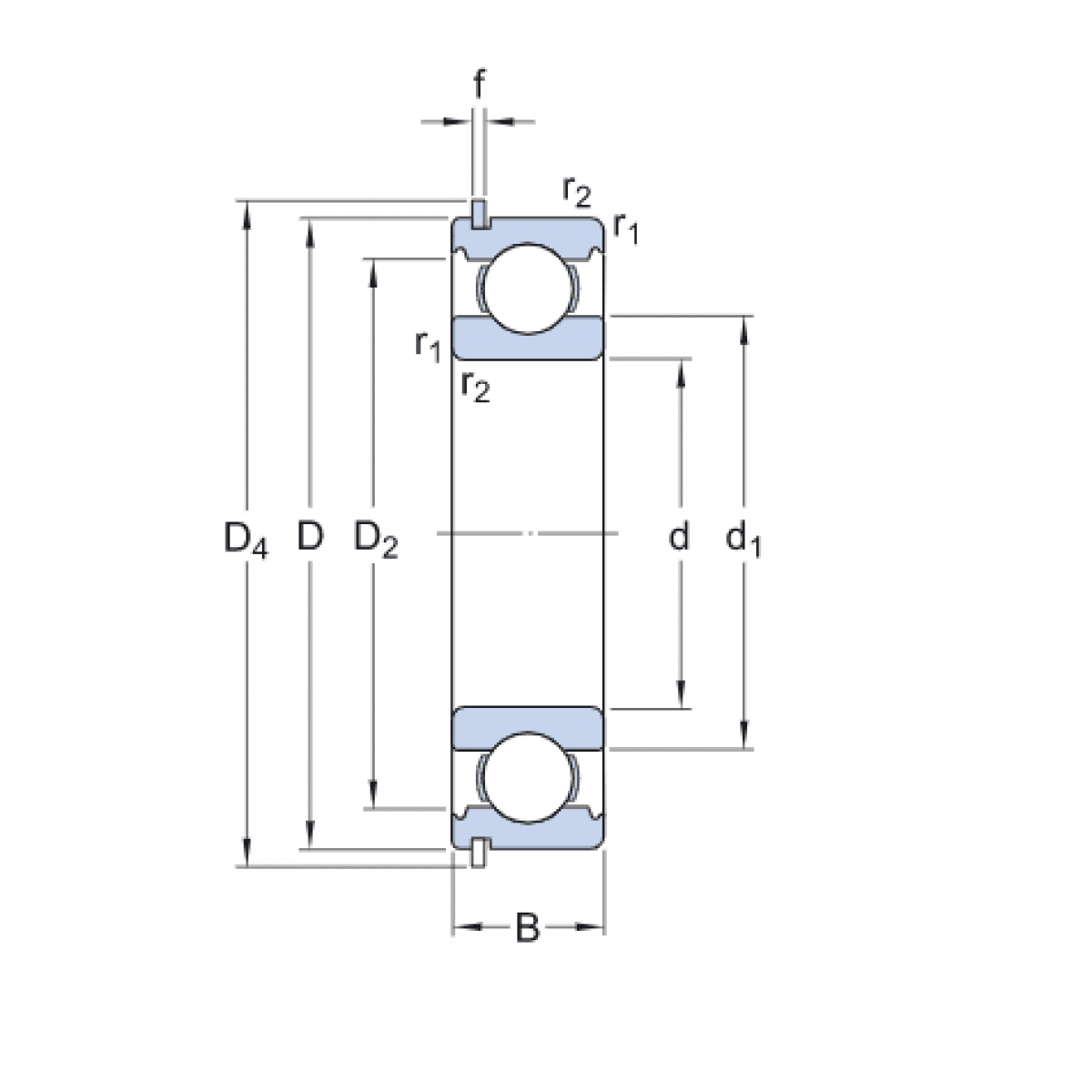
Ložisko 6202 2RS NR - ZEN

Rozmer: 15x35x11
Externý sklad na dopyt
+
-
ks