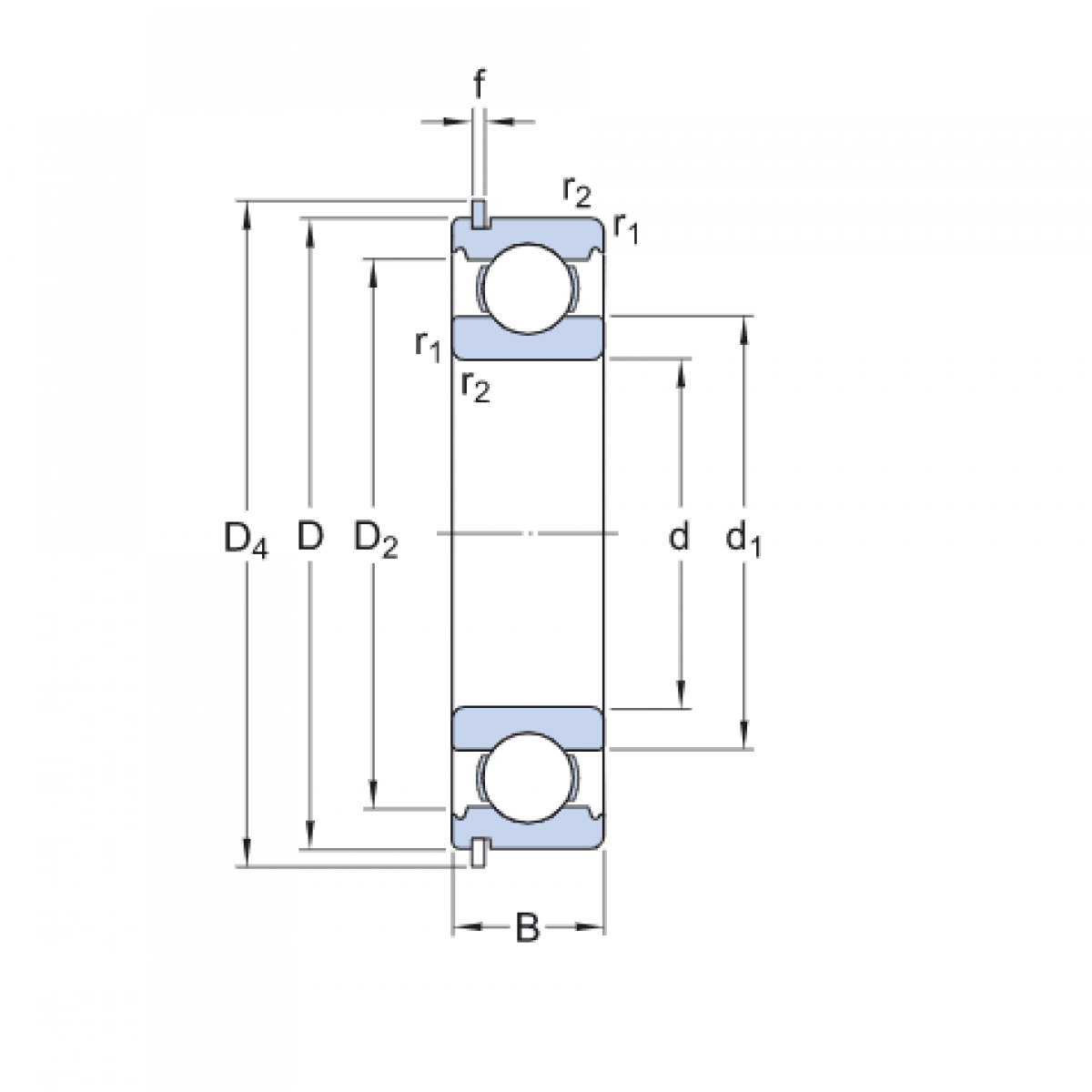
Ložisko 6202 2Z NR - KOYO

Rozmer: 15x35x11 Značka: KOYO-TORRINGTON
Externý sklad na dopyt
+
-
ks