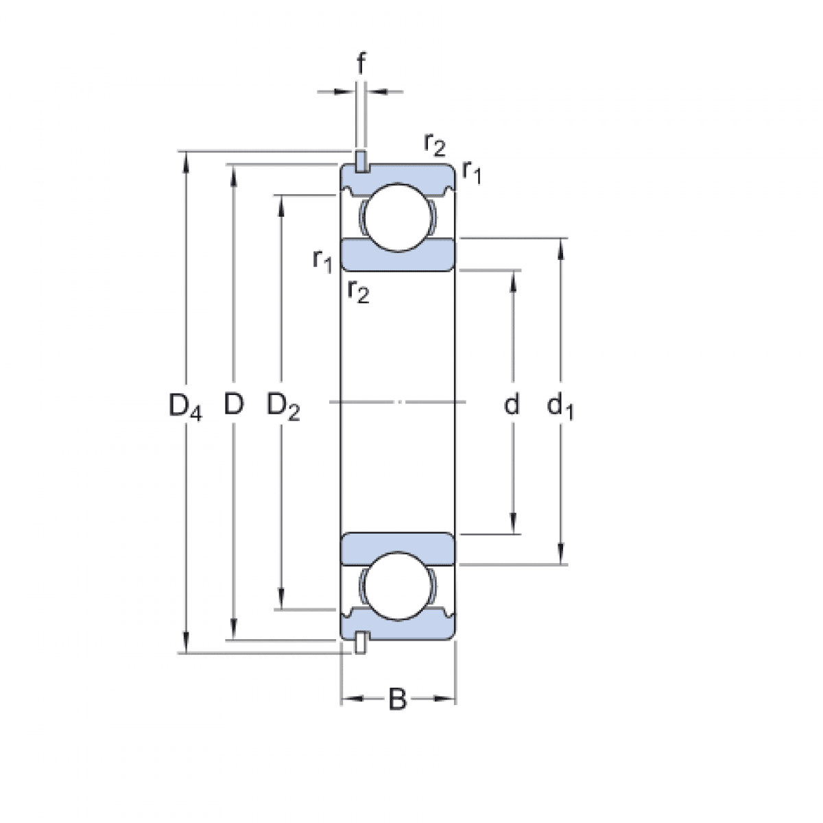
Ložisko 6202 2Z NR - NSK

Rozmer: 15x35x11 Značka: NSK
Externý sklad na dopyt
+
-
ks