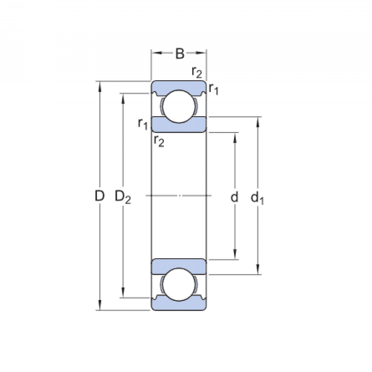
Ložisko 6202 C3 - MTM

Rozmer: 15x35x11 Značka: MTM
Externý sklad na dopyt
+
-
ks