Ložisko 6202 C3 - NEU

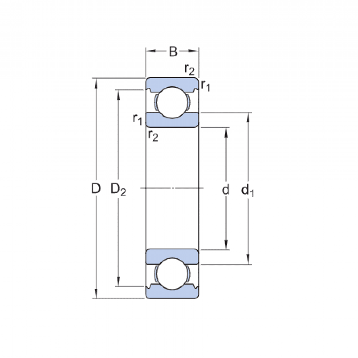
Rozmer: 15x35x11 Značka: NEU
Skladom 1 ks na dopyt
+
-
ks