Ložisko 6202 TVH C3 - FAG

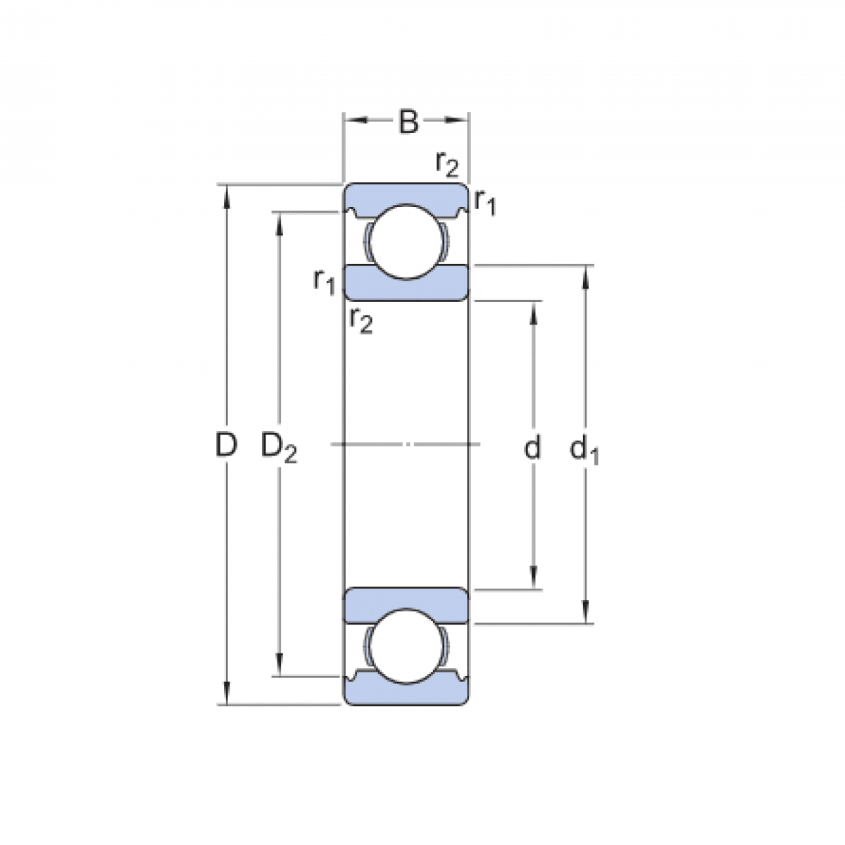
Rozmer: 15x35x11 Značka: FAG
Externý sklad na dopyt
+
-
ks