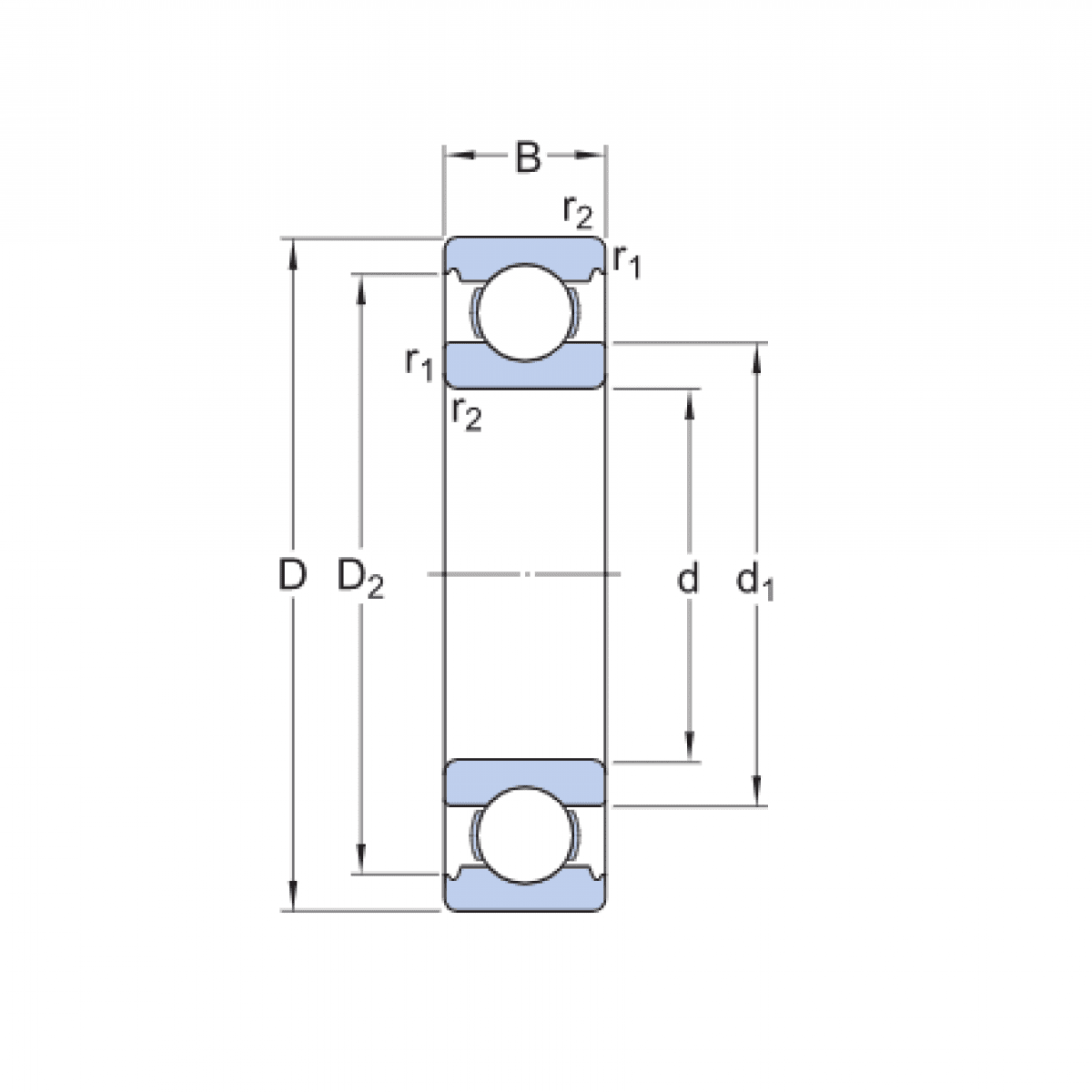
Ložisko 6202 - ZKL

Rozmer: 15x35x11 Značka: ZKL
Externý sklad na dopyt
+
-
ks