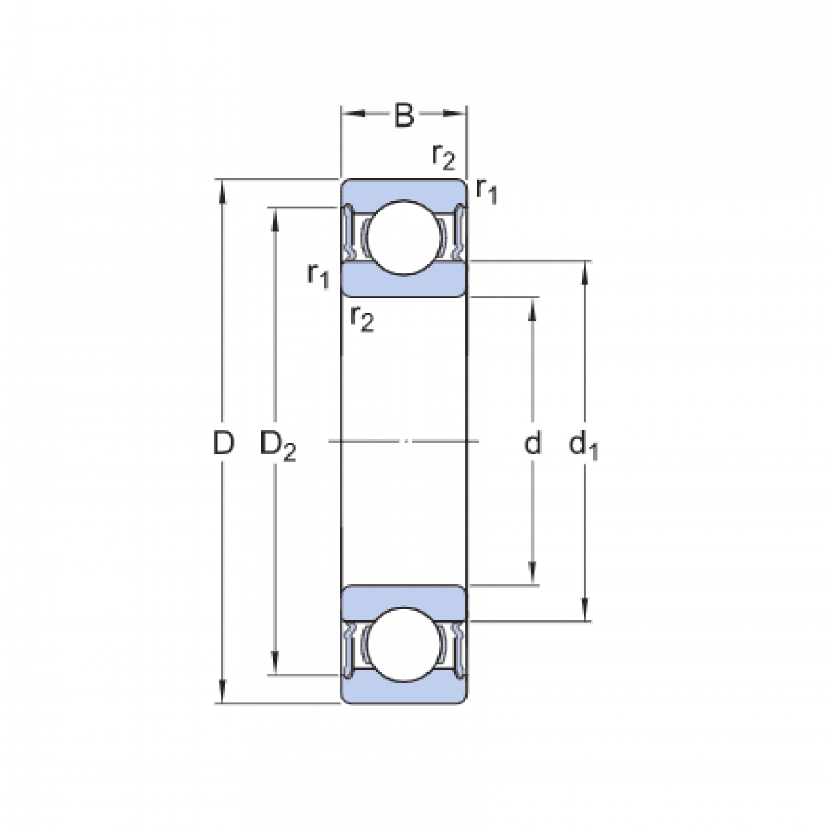
Ložisko 62201 2RSR C3 - FAG

Rozmer: 12x32x14 Značka: FAG
Externý sklad na dopyt
+
-
ks