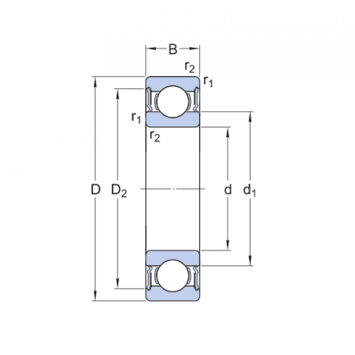
Ložisko 62302 2RS - FAG

Rozmer: 15x42x17 Značka: FAG
Externý sklad na dopyt
+
-
ks