Ložisko 62304/17 2RS - FBJ

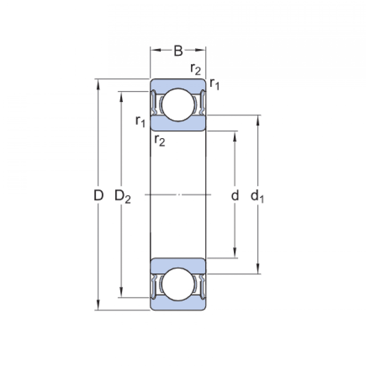
Rozmer: 17x52x21 Značka: FBJ
Skladom 3 ks na dopyt
+
-
ks