Ložisko 62305 2RS - MTM

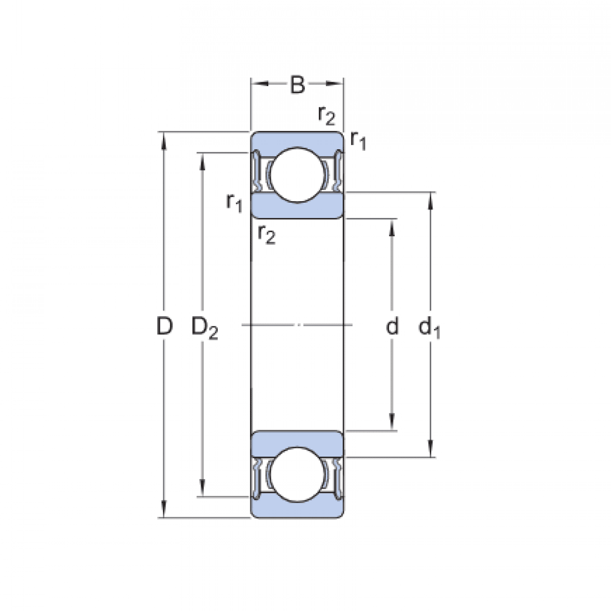
Rozmer: 25x62x24 Značka: MTM
Skladom 11 ks na dopyt
+
-
ks