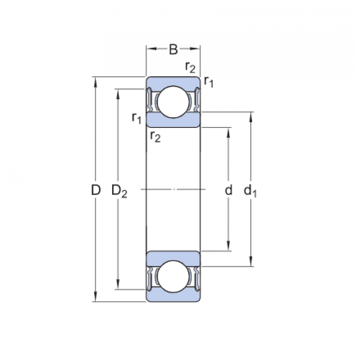
Ložisko 62305 2RS - ZVL

Rozmer: 25x62x24 Značka: ZVL
Externý sklad na dopyt
+
-
ks