Ložisko 62306 2RS - MTM

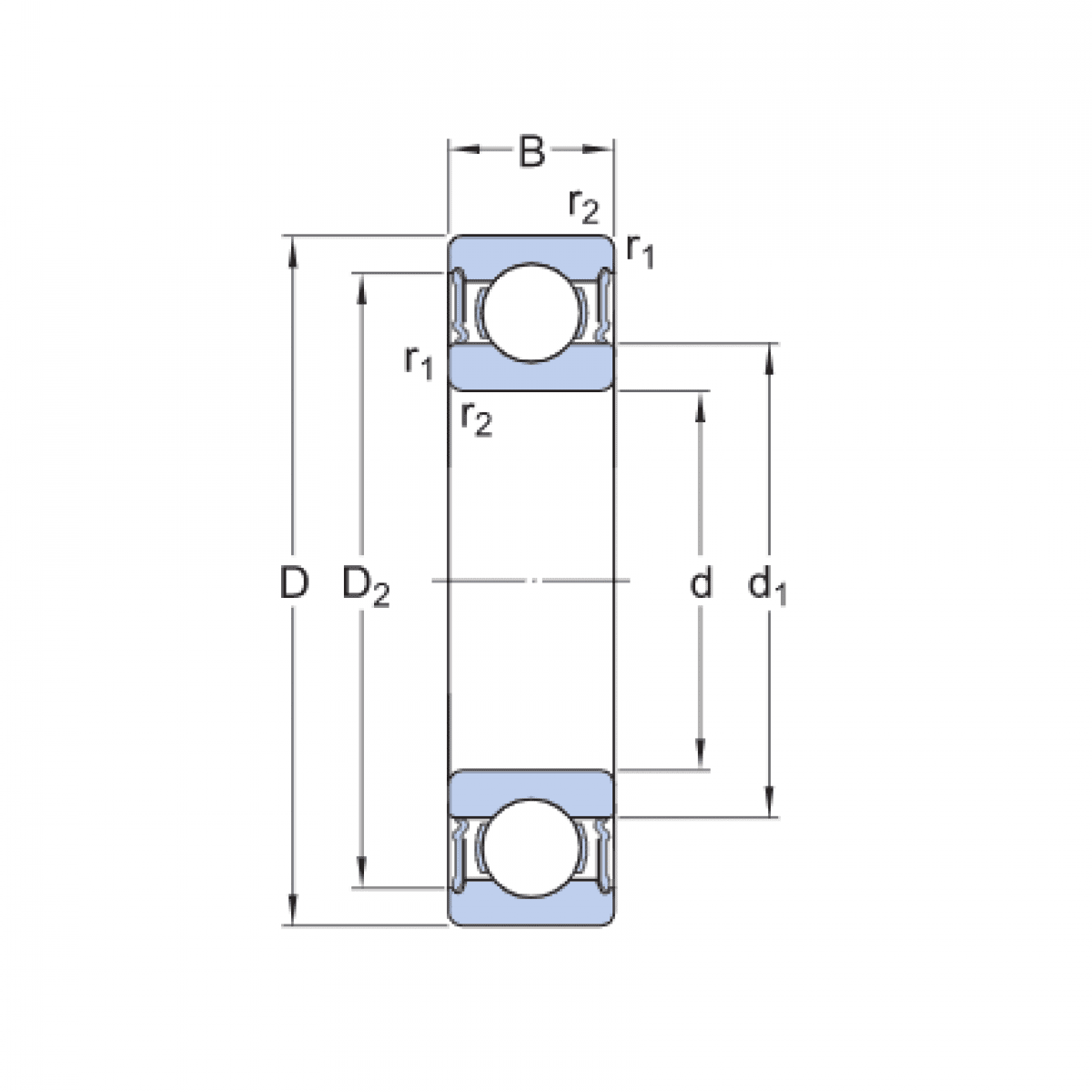
Rozmer: 30x72x27 Značka: MTM
Skladom 10 ks na dopyt
+
-
ks