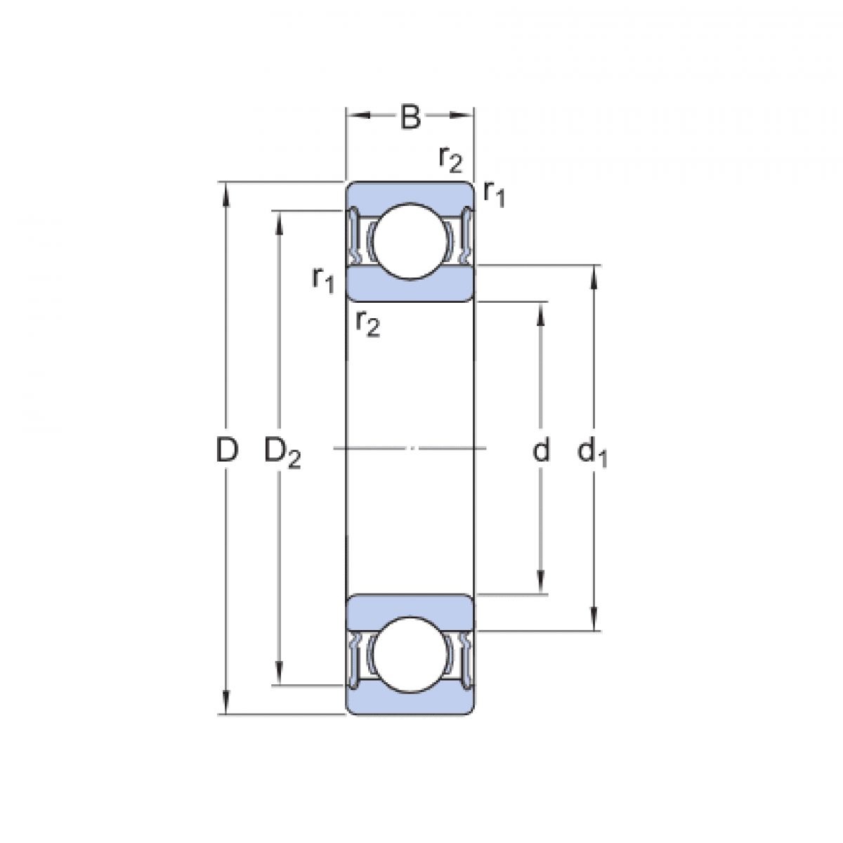
Ložisko 62306 2RSR - FAG

Rozmer: 30x72x27 Značka: FAG
Externý sklad na dopyt
+
-
ks