Ložisko 62308 2RS - FAG

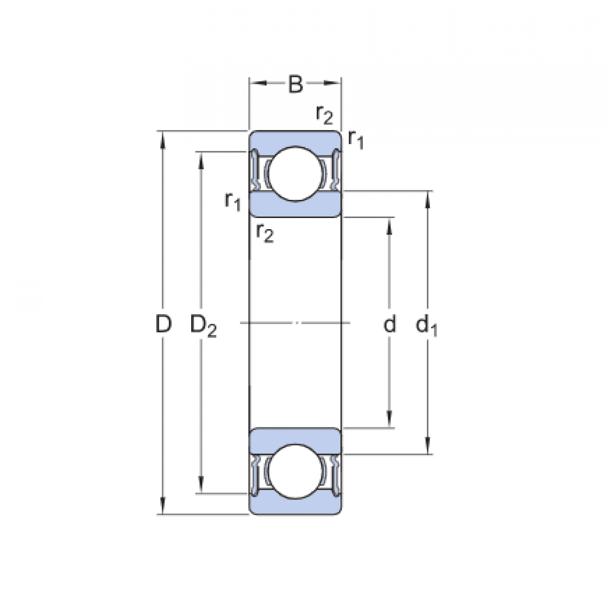
Rozmer: 40x90x33 Značka: FAG
Externý sklad na dopyt
+
-
ks