Ložisko 62309 2RS - CX

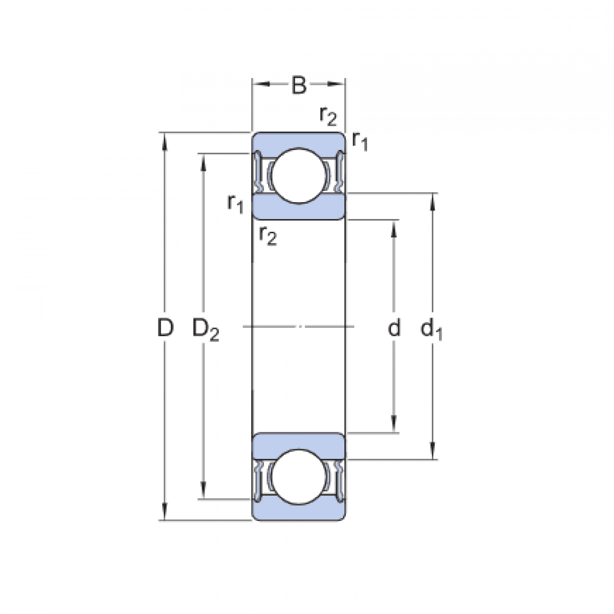
Rozmer: 45x100x36 Značka: CX
Skladom 1 ks na dopyt
+
-
ks