Ložisko 62310 2RS - CX

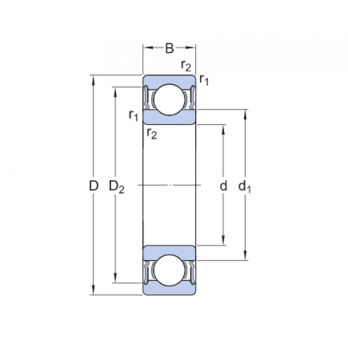
Rozmer: 50x110x40 Značka: CX
Skladom 7 ks na dopyt
+
-
ks