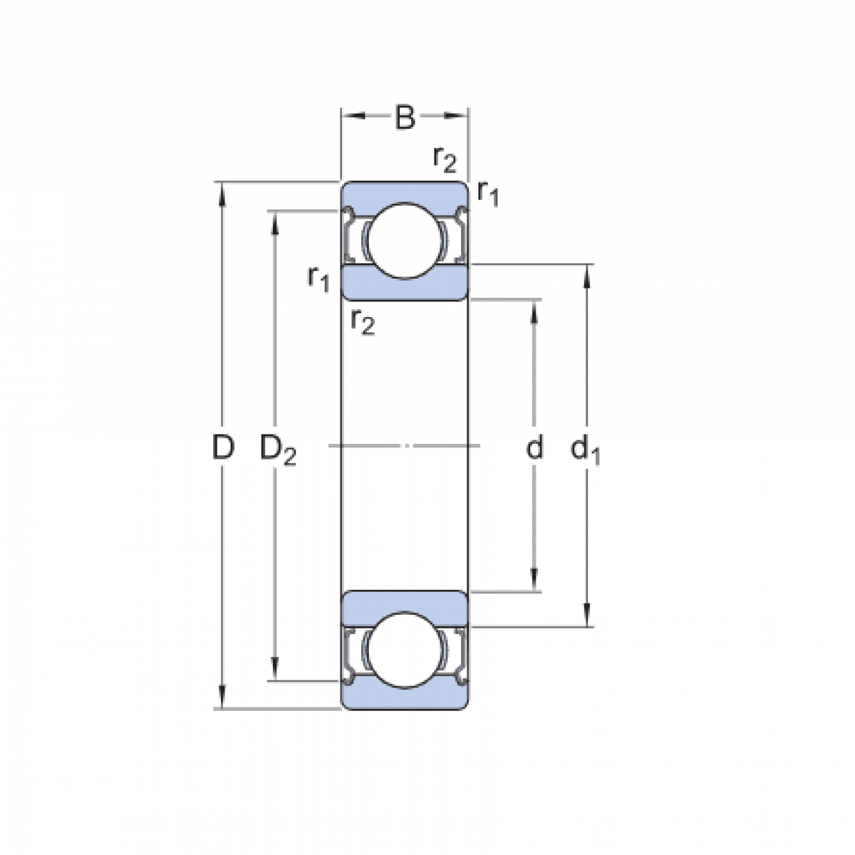
Ložisko 6300 2RS C3 - KOYO

Rozmer: 10x35x11 Značka: KOYO-TORRINGTON
Externý sklad na dopyt
+
-
ks