Ložisko 6300 2RS C3 - ZKL NEW

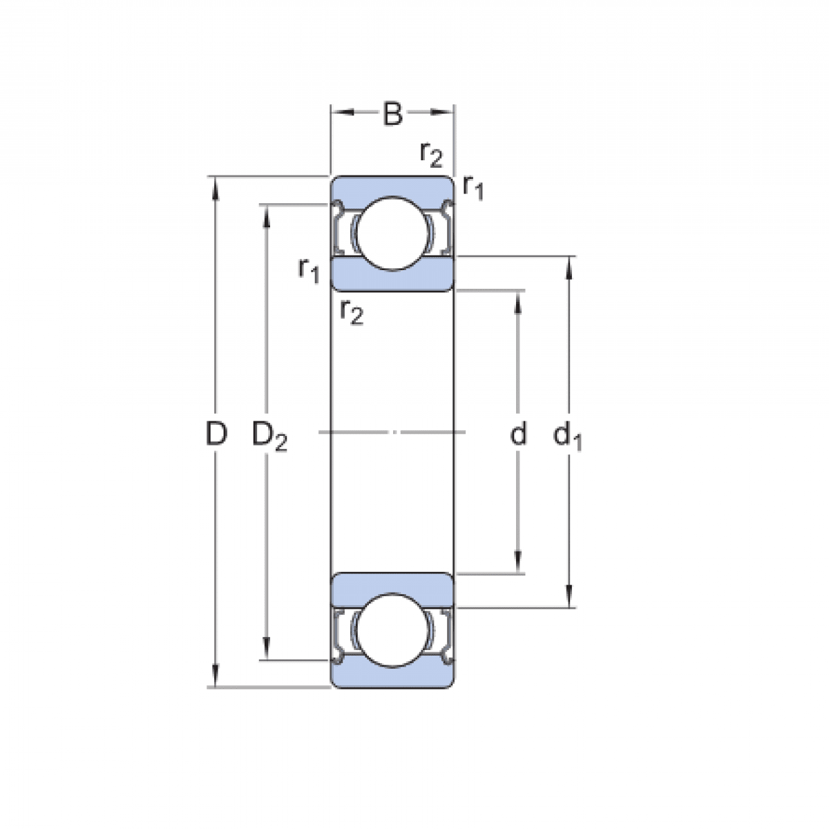
Rozmer: 10x35x11 Značka: ZKL
Externý sklad na dopyt
+
-
ks