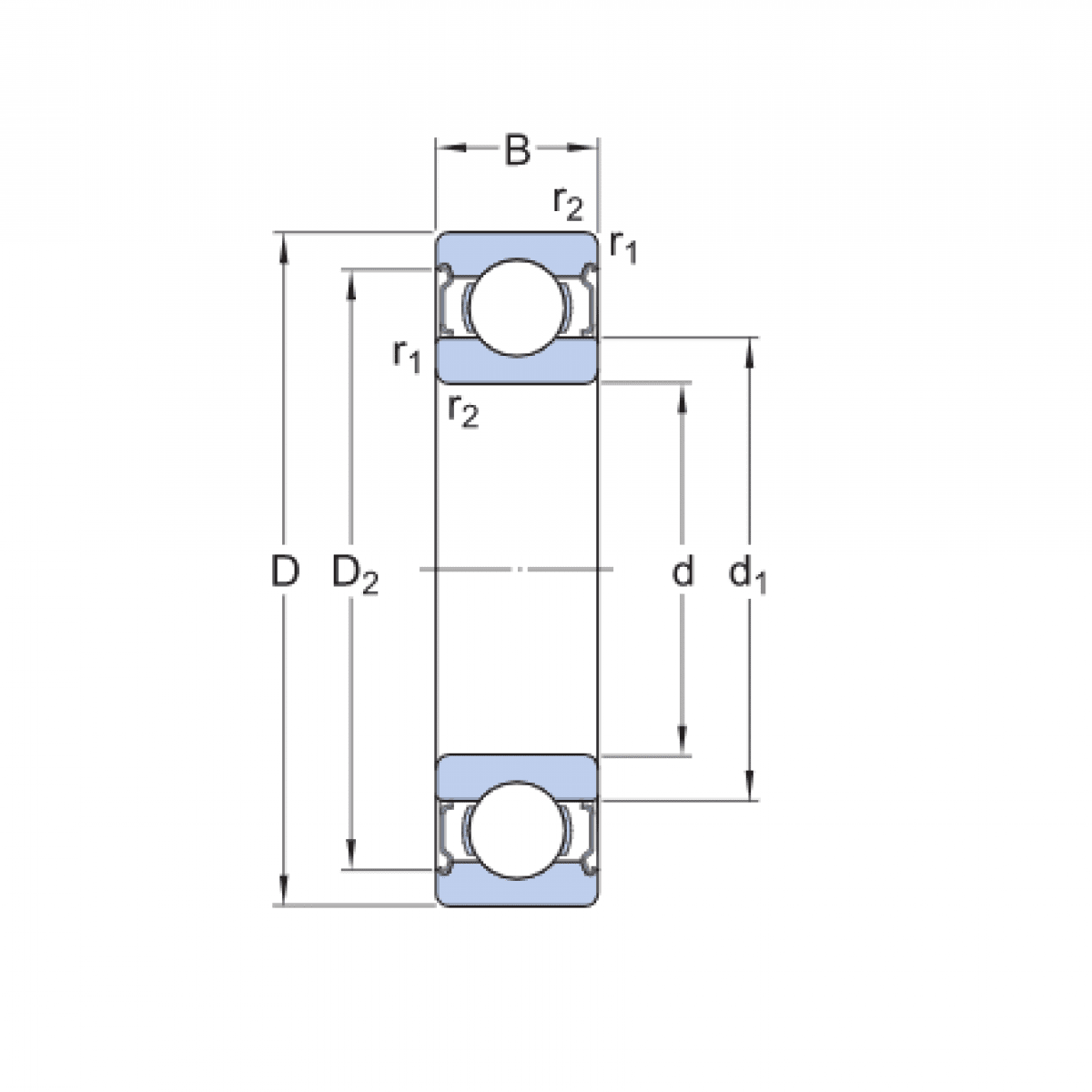
Ložisko 6300 2RS - KBS

Rozmer: 10x35x11 Značka: KBS, KBC
Externý sklad na dopyt
+
-
ks