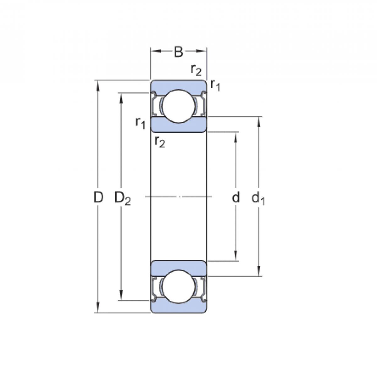
Ložisko 6300 2Z C3 - MTM

Rozmer: 10x35x11 Značka: MTM
Externý sklad na dopyt
+
-
ks