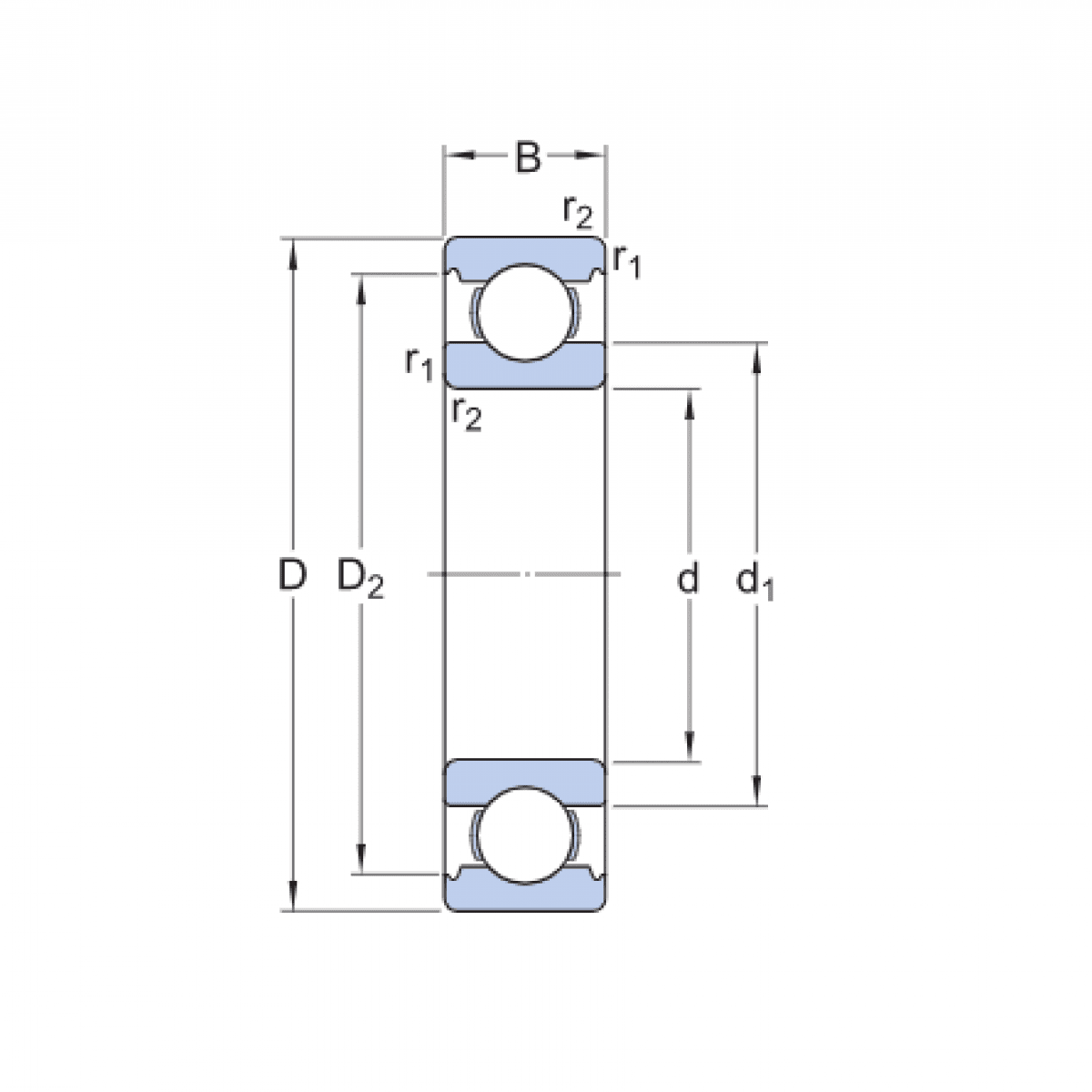
Ložisko 6300 - CODEX

Rozmer: 10x35x11 Značka: CODEX
Externý sklad na dopyt
+
-
ks