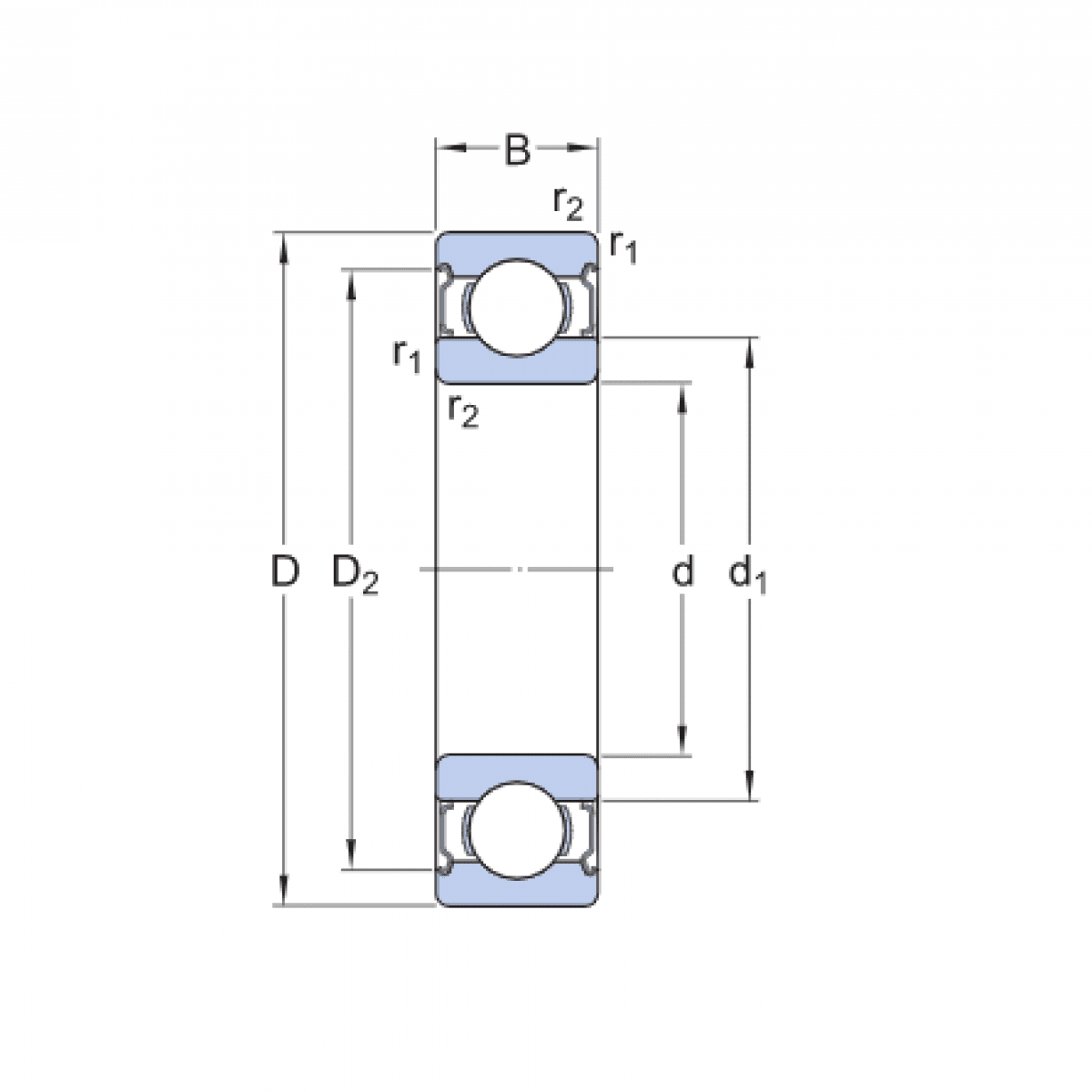
Ložisko 6300 Z - ZKL

Rozmer: 10x35x11 Značka: ZKL
Externý sklad na dopyt
+
-
ks