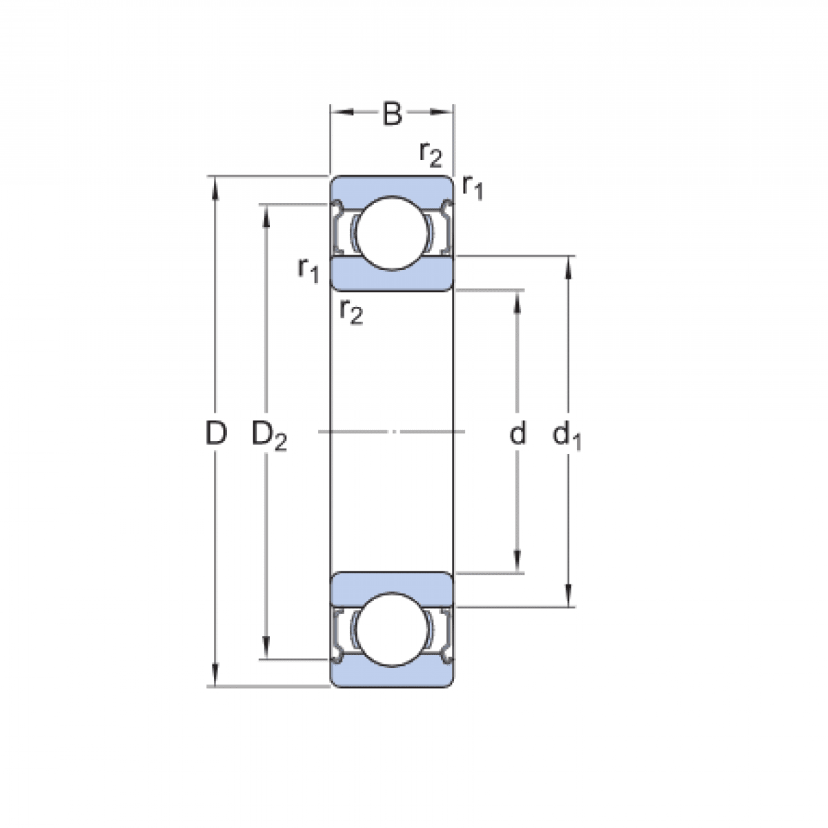
Ložisko 6301 2RSR - FAG

Rozmer: 12x37x12 Značka: FAG
Skladom 15 ks na dopyt
+
-
ks