Ložisko 6302/16 2RS - NEU

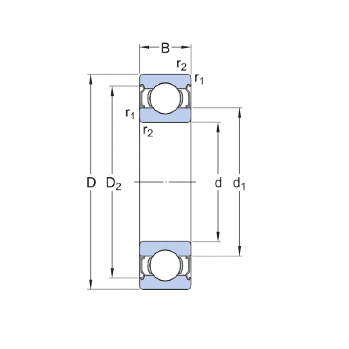
Rozmer: 16x42x13 Značka: NEU
Externý sklad na dopyt
+
-
ks