Ložisko 6303 2RS - IBB, ISB

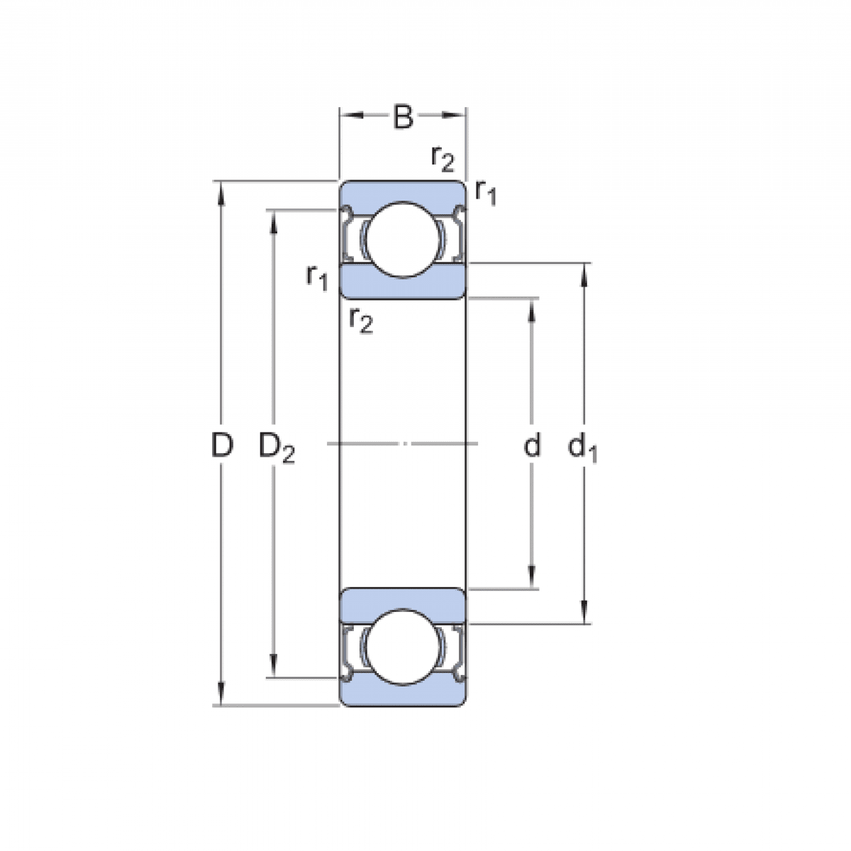
Rozmer: 17x47x14 Značka: CODEX
Externý sklad na dopyt
+
-
ks