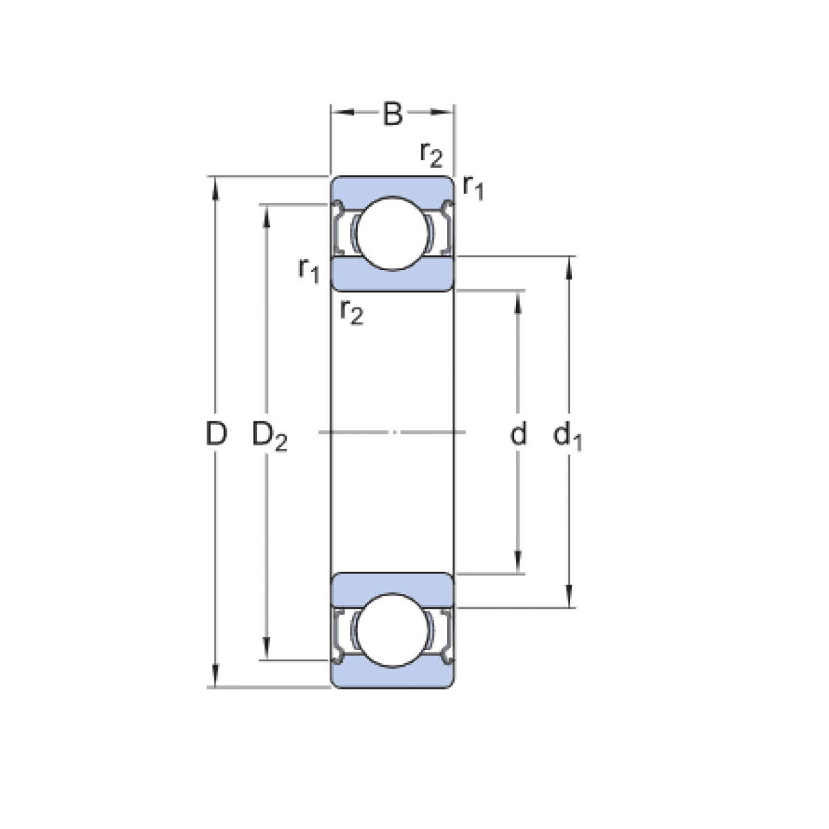
Ložisko 6303 2RS - KBS

Rozmer: 17x47x14 Značka: KBS, KBC
Externý sklad na dopyt
+
-
ks