Ložisko 6303 2ZP66EMQ - CX

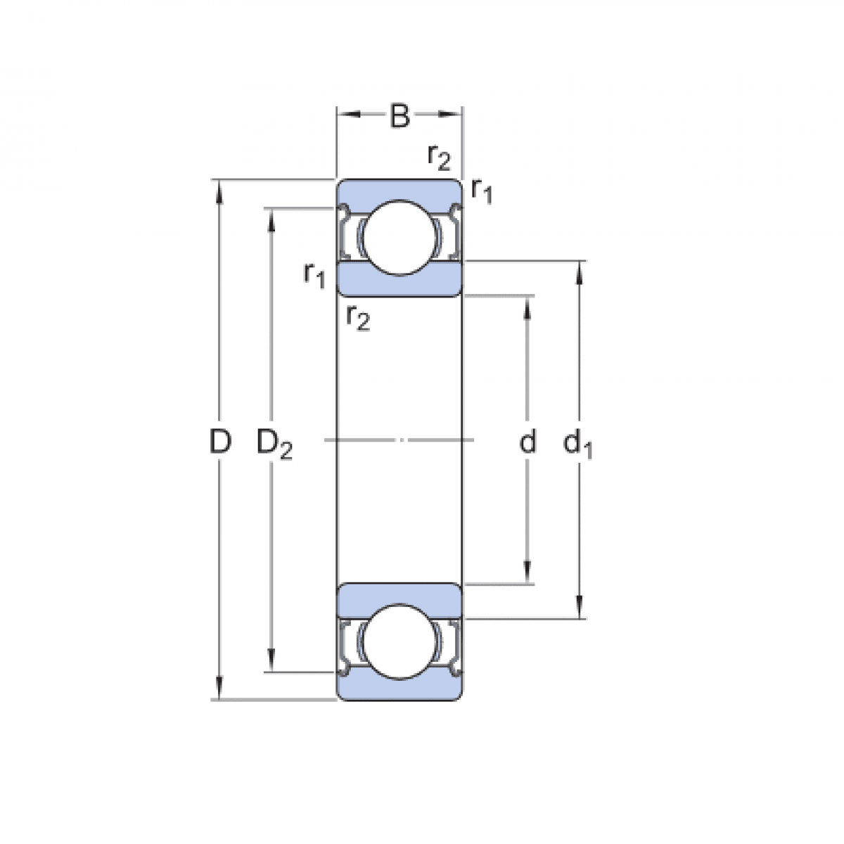
Rozmer: 17x47x14 Značka: CX
Skladom 10 ks na dopyt
+
-
ks