Ložisko 6303 2ZV-14/17 NEU

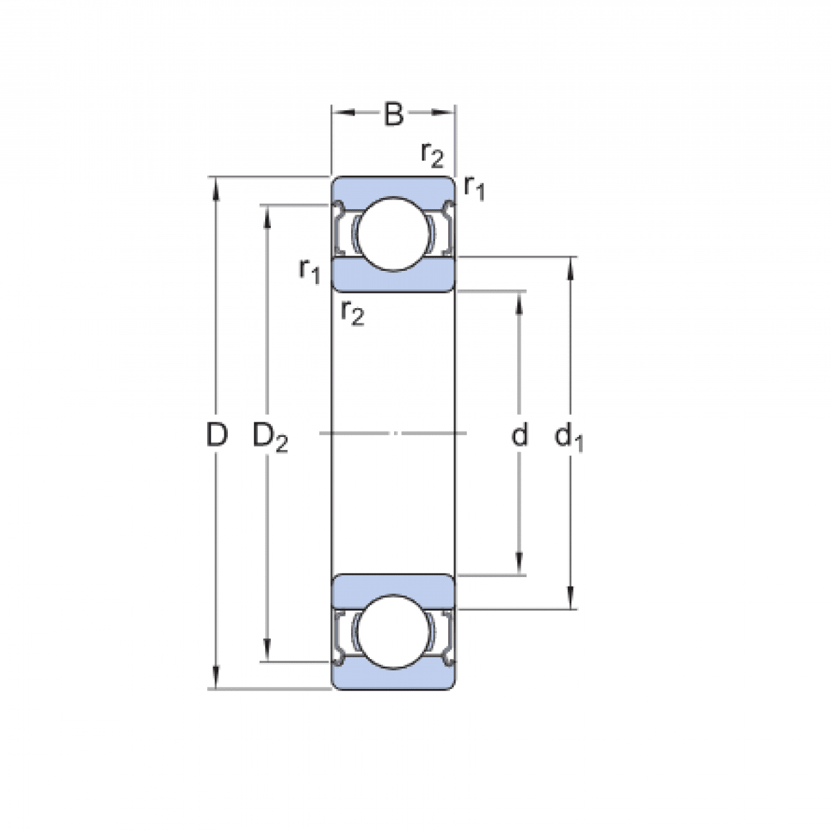
Rozmer: 17x47x14/17 Značka: NEU
Externý sklad na dopyt
+
-
ks