Ložisko 6303 C3 - SKF

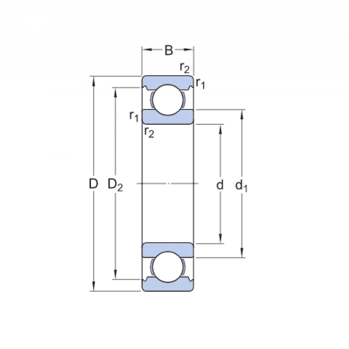
Rozmer: 17x47x14 Značka: SKF
Skladom 1 ks na dopyt
+
-
ks