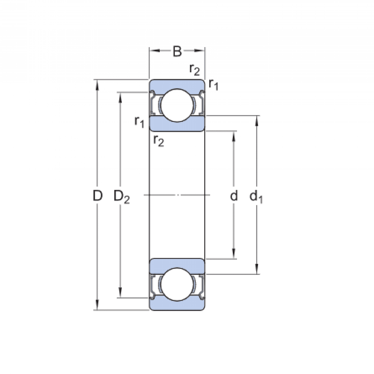
Ložisko 6304 2RS C3 - KBS

Rozmer: 20x52x15 Značka: KBS, KBC
Externý sklad na dopyt
+
-
ks