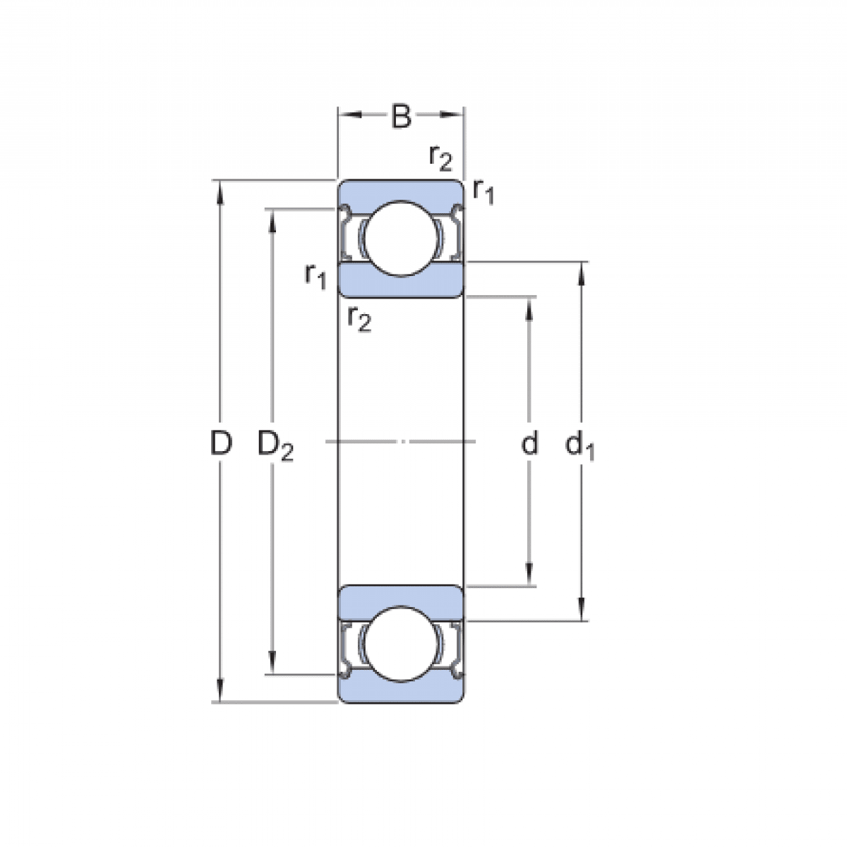
Ložisko 6304 2RS C3 - KOYO

Rozmer: 20x52x15 Značka: KOYO-TORRINGTON
Externý sklad na dopyt
+
-
ks