Ložisko 6304 2RS - CX

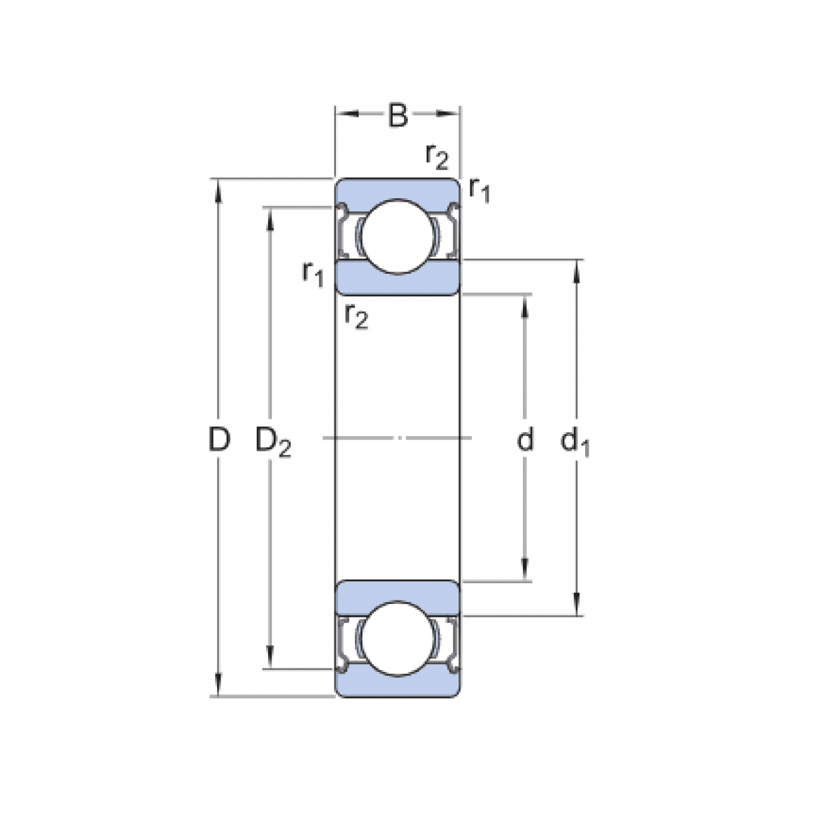
Rozmer: 20x52x15 Značka: CX
Skladom 190 ks na dopyt
+
-
ks