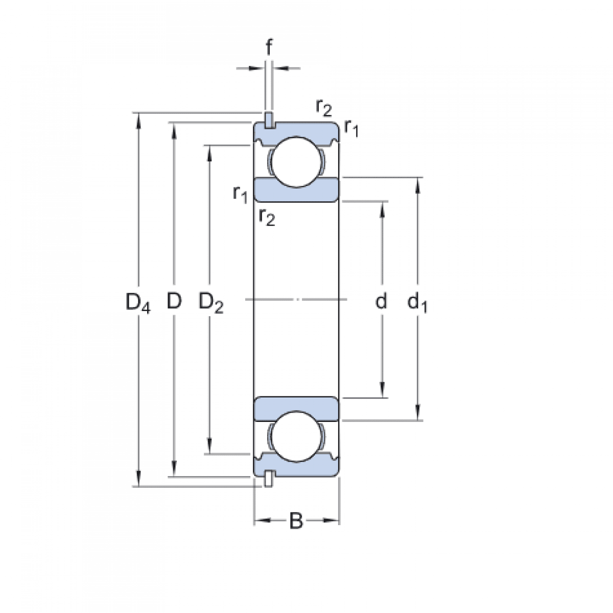
Ložisko 6304 2RS NR C3 - BBC

Rozmer: 20x52x15 Značka: BBC
Skladom 10 ks na dopyt
+
-
ks