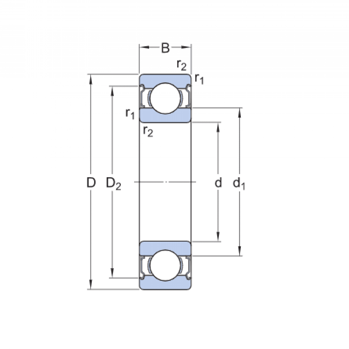
Ložisko 6304 2RSR C4 - FAG

Rozmer: 20x52x15 Značka: FAG
Externý sklad na dopyt
+
-
ks