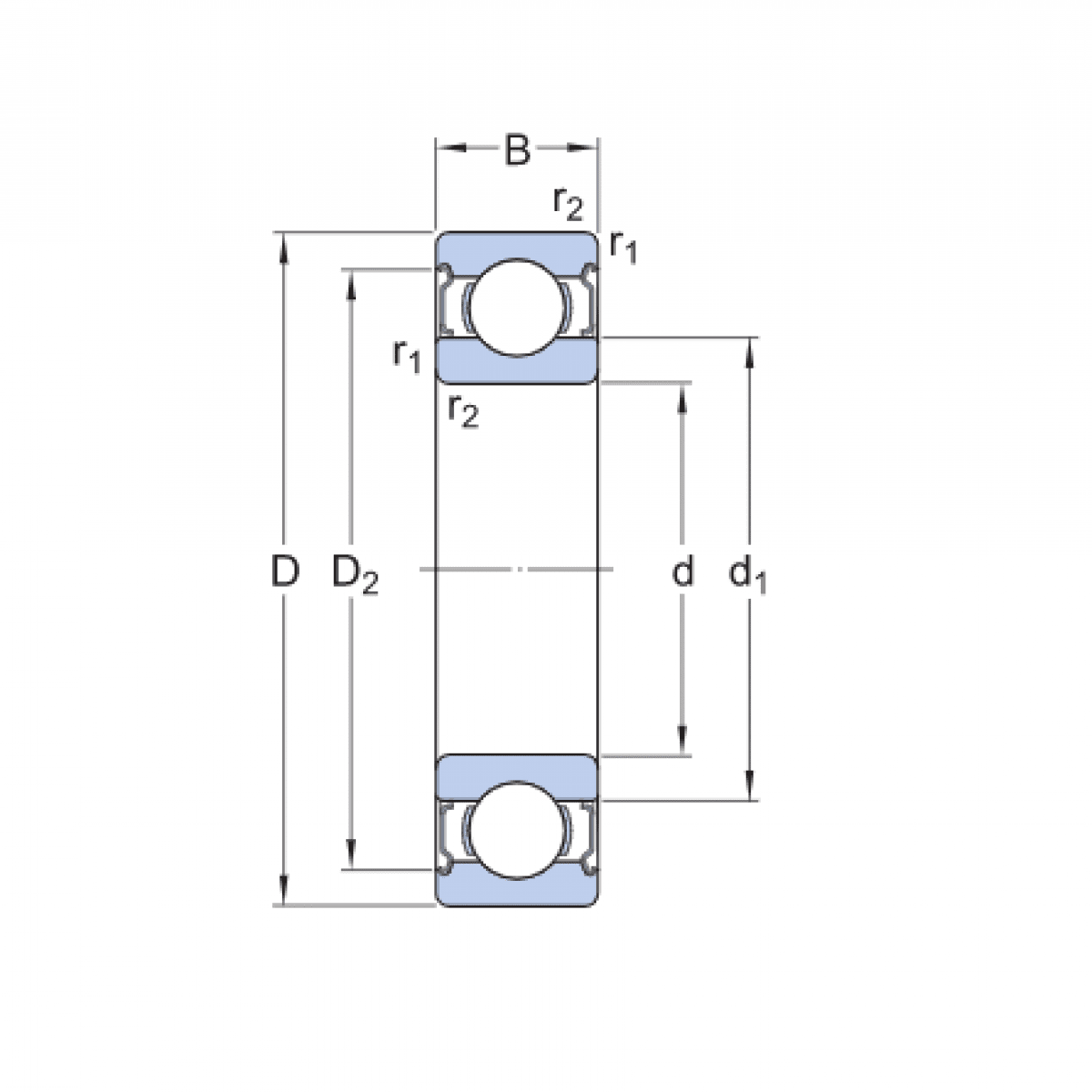
Ložisko 6304 2Z C3 - FLT

Rozmer: 20x52x15 Značka: FLT
Externý sklad na dopyt
+
-
ks