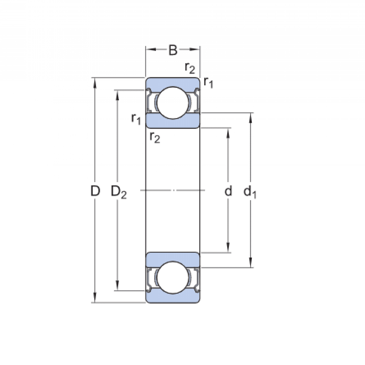
Ložisko 6304 2Z - CX

Rozmer: 20x52x15 Značka: CX
Externý sklad na dopyt
+
-
ks