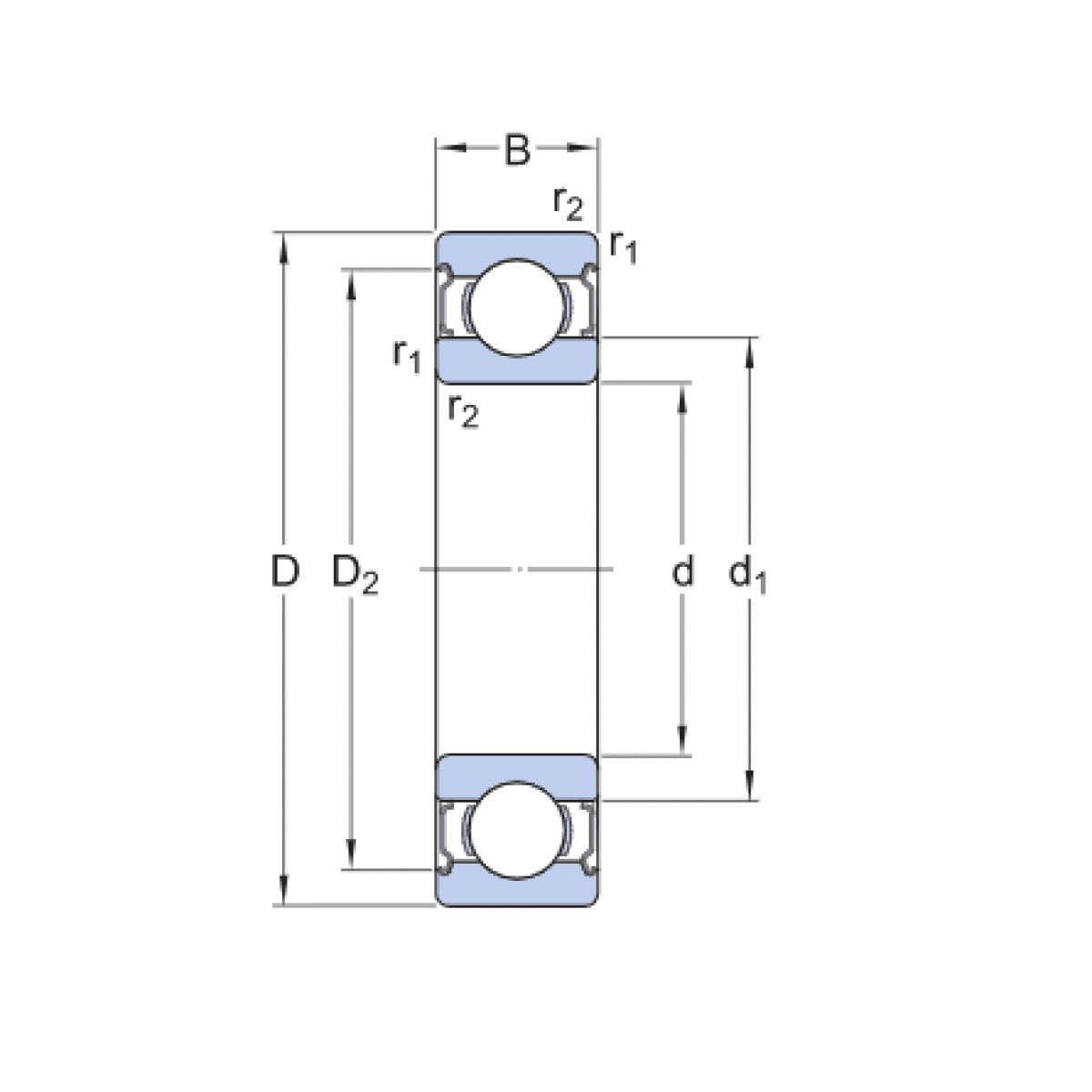
Ložisko 6304 2Z - ZKL NEW

Rozmer: 20x52x15 Značka: ZKL
Externý sklad na dopyt
+
-
ks