Ložisko 6304 NR - KOYO

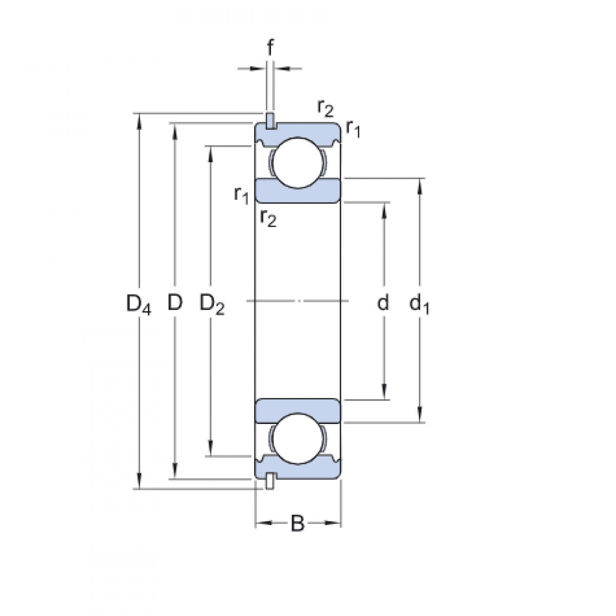
Rozmer: 20x52x15 Značka: KOYO-TORRINGTON
Externý sklad na dopyt
+
-
ks