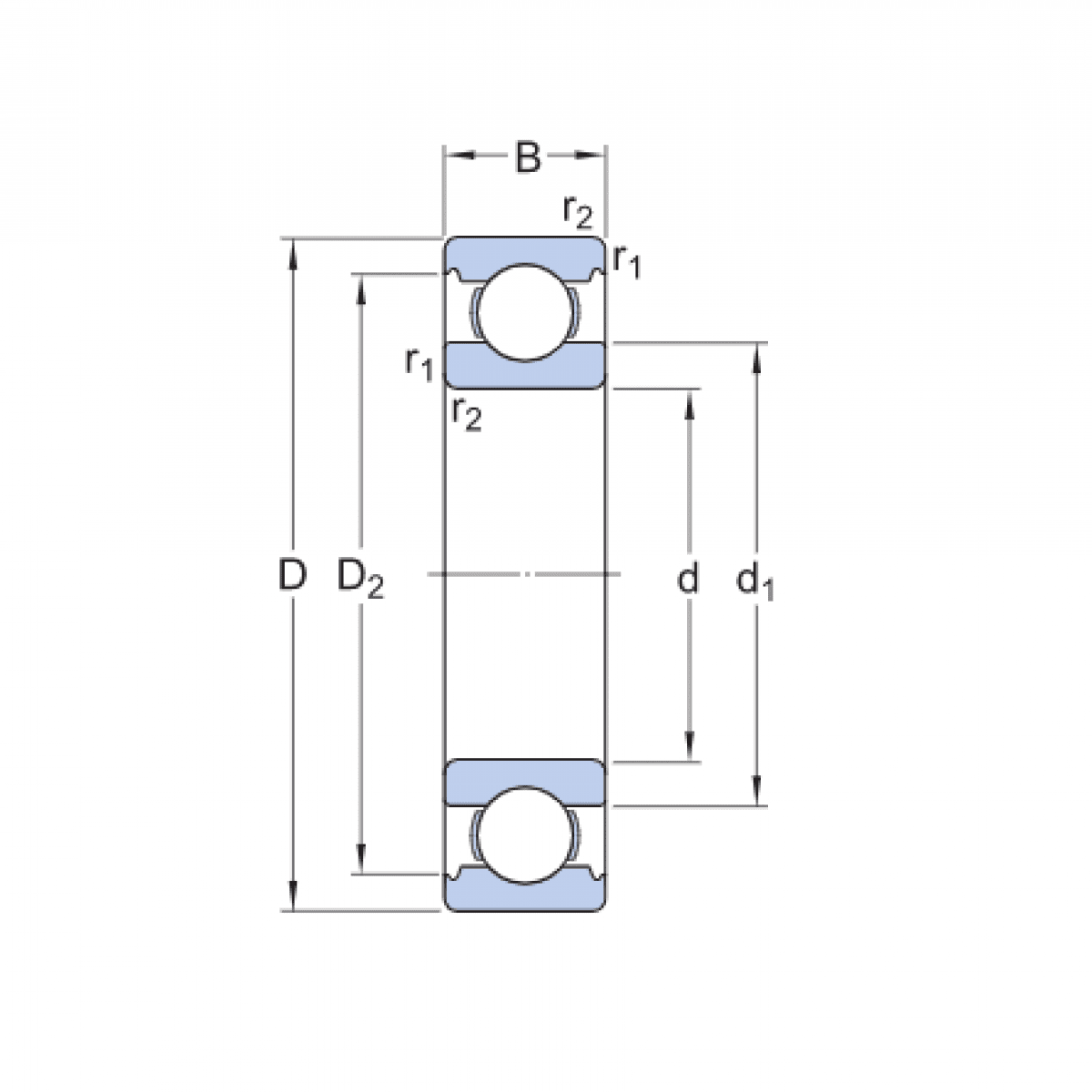
Ložisko 6304 - SKF

Rozmer: 20x52x15 Značka: SKF
Externý sklad na dopyt
+
-
ks