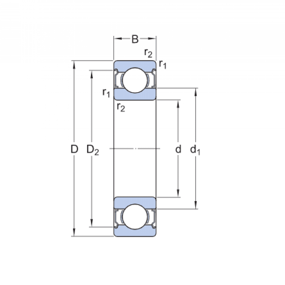
Ložisko 6305 2RS - CX

Rozmer: 25x62x17 Značka: CX
Skladom 183 ks na dopyt
+
-
ks