Ložisko 6305 2RS - KBS

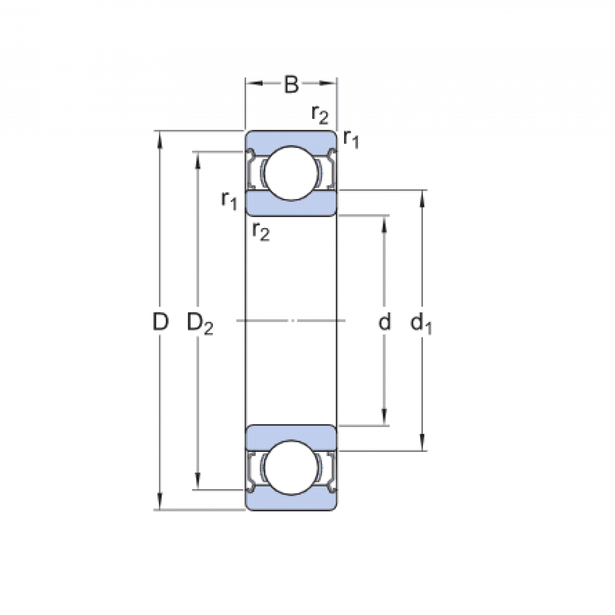
Rozmer: 25x62x17 Značka: KBS, KBC
Externý sklad na dopyt
+
-
ks