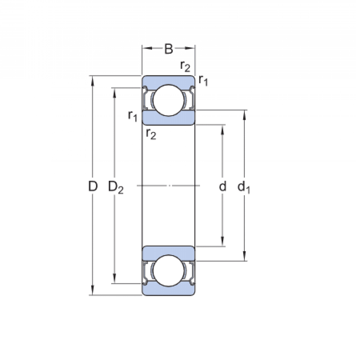
Ložisko 6305 2RS - KOYO

Rozmer: 25x62x17 Značka: KOYO-TORRINGTON
Externý sklad na dopyt
+
-
ks