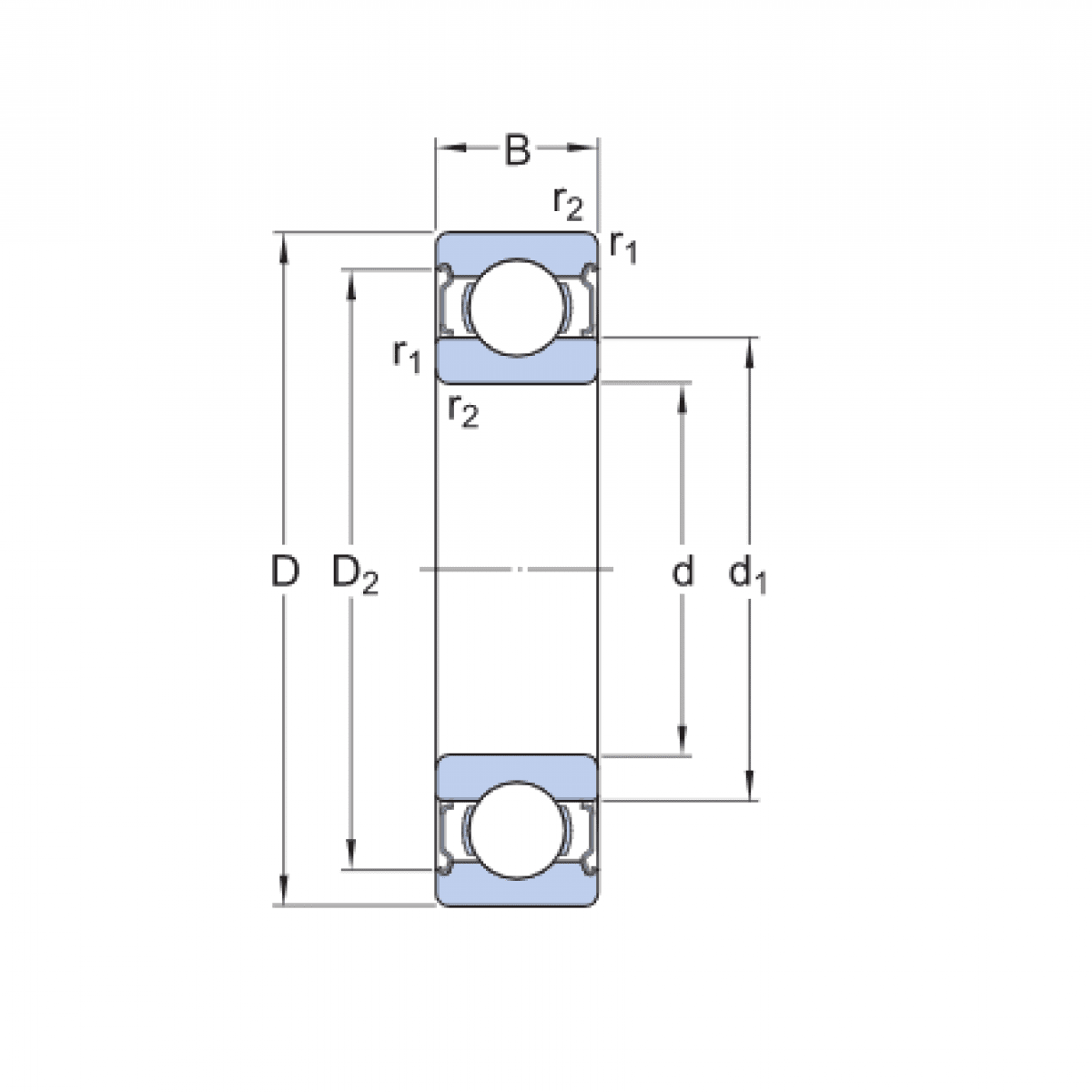
Ložisko 6305 2RS - MTM

Rozmer: 25x62x17 Značka: MTM
Externý sklad na dopyt
+
-
ks