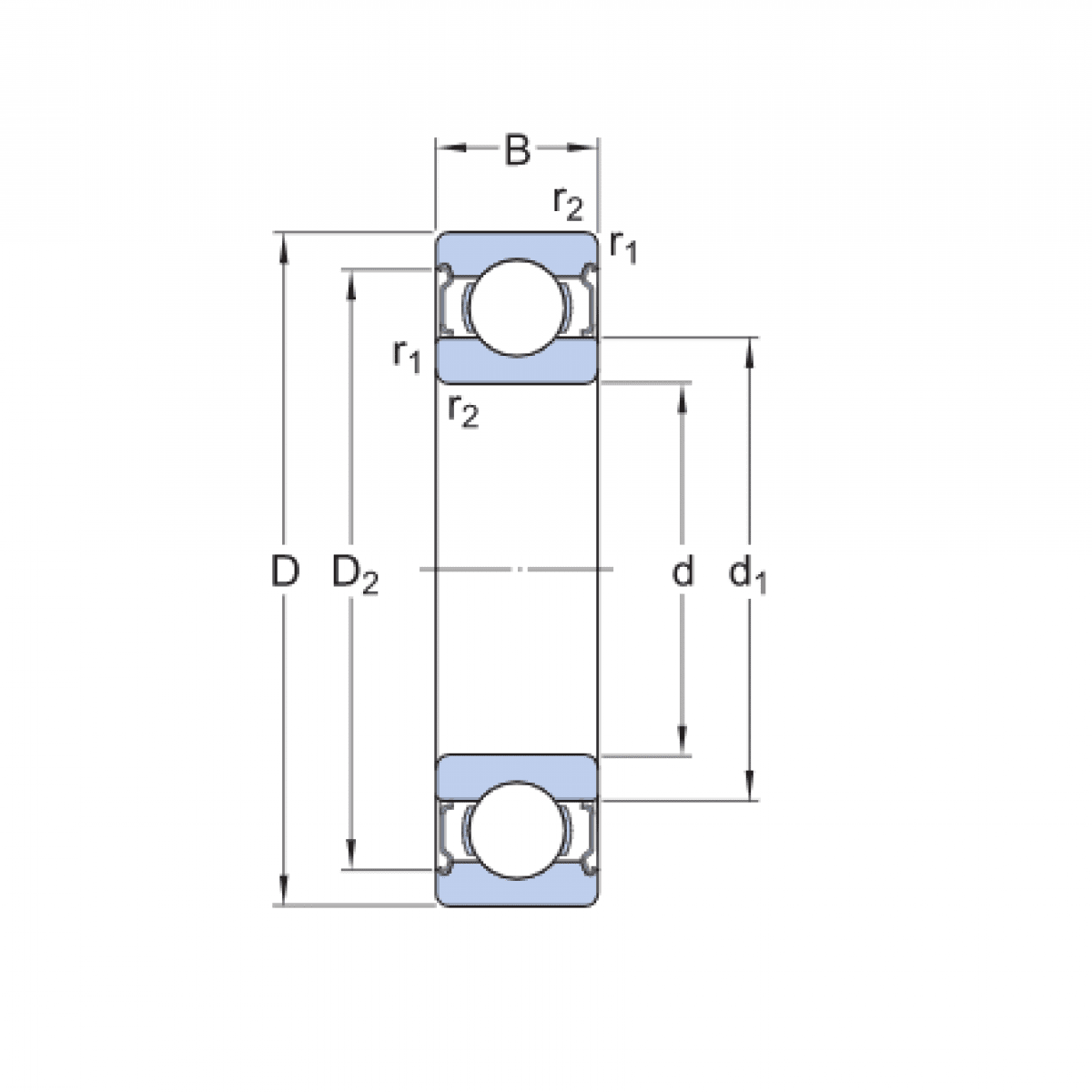
Ložisko 6305 2Z C3 - ZKL NEW

Rozmer: 25x62x17 Značka: ZKL
Externý sklad na dopyt
+
-
ks