Ložisko 6305 2Z - CX

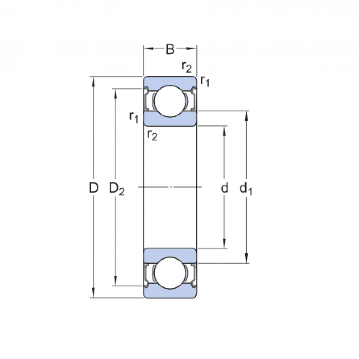
Rozmer: 25x62x17 Značka: CX
Skladom 71 ks na dopyt
+
-
ks